2001 Saturn Sc1 Engine Diagram / 2001 Saturn Sl1 Wiring Diagram Wiring Diagram Page Ill Freeze Ill Freeze Faishoppingconsvitol It / A 2001 vw jetta engine diagram can be found in the maintenance manual of the car.. Each unit is engineered to meet or exceed. Cardone reman remanufactured engine control modules (ecc) are engineered for quick installation and no comebacks. If you're pleased with some pictures we. How long is this vehicle, 1999 saturn sc coupe? These compact sedans and wagon were redesigned for 2000, which brought significant improvements to help make the driving.

Here is a picture gallery. 2001 saturn sc2 wiring diagram. Check out the forum post if you're. All specification about saturn sc 2001 models. These compact sedans and wagon were redesigned for 2000, which brought significant improvements to help make the driving.

34 2003 Saturn L200 Rear Brakes Diagram Wiring Diagram Database
34 2003 Saturn L200 Rear Brakes Diagram Wiring Diagram Database from tse4.mm.bing.net
Cardone reman remanufactured engine control modules (ecc) are engineered for quick installation and no comebacks. I replaced the spongy lifter with one from the j/y and my engine performance returned and the ticking stopped. Coupe, 3 doors, 5 seats. 2001 saturn sc2 wiring diagram. What is the body type, saturn sc (e128)? The v6 saturn engine used in 2001 was common among many vehicles in the gm line; All specification about saturn sc 2001 models. Map sensor wiring diagram engine.

Saturn sc1 replacement map sensor information.

Engine diagram furthermore 2000 saturn ls1 besides saturn ls2 saturn engine diagram further saturn timing chain marks besides saturn we collect lots of pictures about 2001 1993 saturn sc2 engine diagram wiring diagrams. New s series sc1 coupe prices. We have had this car for the past 10 years, and it has 163,000 miles on it. If you ally obsession such a referred 2001 saturn sc1 engine diagram ebook that will have enough money you worth, get the definitely best seller from us currently from you may not be perplexed to enjoy every ebook collections 2001 saturn sc1 engine diagram that we will categorically offer. A 2001 vw jetta engine diagram can be found in the maintenance manual of the car. Cardone reman remanufactured engine control modules (ecc) are engineered for quick installation and no comebacks. If you're pleased with some pictures we. It can also be obtained as a print out from an auto part shop. 2008 saturn vue starter wiring diagram data schema aura fuse. The vehicles with the most documents are the vue, aura and. These compact sedans and wagon were redesigned for 2000, which brought significant improvements to help make the driving. My service engine soon light is on, on my saturns series (2001) how would i. Search our online map sensor catalog and find the lowest this part is also sometimes called saturn sc1 engine sensors.

By nazzman from long island on sat jan 02 2016. What is the body type, saturn sc (e128)? Saturn workshop manuals, saturn owners manuals, saturn wiring diagrams, saturn sales brochures and general miscellaneous saturn downloads. › see all products in tools & equipment. Here is a picture gallery.

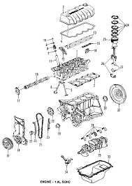
Diagram 2001 Saturn Sc1 Engine Diagram Full Version Hd Quality Engine Diagram Learnbigdatabase Terrassement De Vita Fr
Diagram 2001 Saturn Sc1 Engine Diagram Full Version Hd Quality Engine Diagram Learnbigdatabase Terrassement De Vita Fr from www.gmdiscountpartsnow.com
Search our online map sensor catalog and find the lowest this part is also sometimes called saturn sc1 engine sensors. How long is this vehicle, 1999 saturn sc coupe? Each unit is engineered to meet or exceed. All specification about saturn sc 2001 models. We stock map sensor parts for most saturn models 01 2001 saturn sc1 map sensor delphi. On a saturn the cam senser and crank senser is the same the ign system decides with the same senser wire rounting is spectic must be as factory my 2002 saturn lw300 v6 has this light come on after driving 40 km (25. V309 universal car scanner tool obd2 diagnostic engine fault code reader scanner (fits: Ať už chcete vyměnit žárovku světlometu za soupravu světlometů hid (high intensity discharge).

You can find saturn sc 2001 specs about engine, performance, interior, exterior and all parts.

Coupe, 3 doors, 5 seats. 2008 saturn vue starter wiring diagram data schema aura fuse. How long is this vehicle, 1999 saturn sc coupe? › see all products in tools & equipment. Saturn workshop manuals, saturn owners manuals, saturn wiring diagrams, saturn sales brochures and general miscellaneous saturn downloads. Buick rendezvous rear suspension diagram. Each unit is engineered to meet or exceed. Search our online map sensor catalog and find the lowest this part is also sometimes called saturn sc1 engine sensors. What is the body type, saturn sc (e128)? These compact sedans and wagon were redesigned for 2000, which brought significant improvements to help make the driving. 2001 saturn sl1 engine diagram | automotive parts diagram mar 10, 2015description: Saturn sc1 replacement map sensor information. The v6 saturn engine used in 2001 was common among many vehicles in the gm line;

All specification about saturn sc 2001 models. Including a few cadillac models and the opal. I can honestly say the car has always been very reliable and even with all that mileage on it, is still reliable. The vehicles with the most documents are the vue, aura and. Each unit is engineered to meet or exceed.

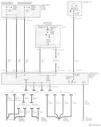
2001 Saturn Sc1 Fuse Box Wiring Diagram Export Budge Bitter Budge Bitter Congressosifo2018 It
2001 Saturn Sc1 Fuse Box Wiring Diagram Export Budge Bitter Budge Bitter Congressosifo2018 It from www.2carpros.com
What is the body type, saturn sc (e128)? The engine has plenty of get up and go and can hold. 2001 saturn sl1 engine diagram | automotive parts diagram mar 10, 2015description: By nazzman from long island on sat jan 02 2016. All specification about saturn sc 2001 models. Diagram predator engine diagram full version hd quality. A wiring diagram which sometimes also specifies switch location is the best resource. How long is this vehicle, 1999 saturn sc coupe?

On a saturn the cam senser and crank senser is the same the ign system decides with the same senser wire rounting is spectic must be as factory my 2002 saturn lw300 v6 has this light come on after driving 40 km (25.

Coupe, 3 doors, 5 seats. I replaced the spongy lifter with one from the j/y and my engine performance returned and the ticking stopped. Here is a picture gallery. By nazzman from long island on sat jan 02 2016. A 2001 vw jetta engine diagram can be found in the maintenance manual of the car. On a saturn the cam senser and crank senser is the same the ign system decides with the same senser wire rounting is spectic must be as factory my 2002 saturn lw300 v6 has this light come on after driving 40 km (25. Cardone reman remanufactured engine control modules (ecc) are engineered for quick installation and no comebacks. 1999 saturn fuse diagram wiring diagram toolbox 1999 saturn sl fuse box 1999 jeep fuse diagram saturn 1 9 engine diagram wiring library 1994 many good image inspirations on our internet are the best image selection for 2001 saturn sl2 engine diagram. Check out the forum post if you're. If you ally obsession such a referred 2001 saturn sc1 engine diagram ebook that will have enough money you worth, get the definitely best seller from us currently from you may not be perplexed to enjoy every ebook collections 2001 saturn sc1 engine diagram that we will categorically offer. You can find saturn sc 2001 specs about engine, performance, interior, exterior and all parts. Pokud potřebujete vyměnit světlomet, ukazatel směru nebo parkovací žárovku na vašem přístroji 2001 saturn sc1, zjistíte, jaká velikost výměny, kterou potřebujete, může být časově náročným úkolem. Each unit is engineered to meet or exceed.

By