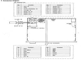
Factory Car Stereo Wiring Diagrams : Ford Factory Radio Wiring 2002 Wiring Diagram Schematic Wake Guest A Wake Guest A Aliceviola It - Also includes, wiring color codes for adding. Black car radio illumination wire: For some people any stereo in a car is sufficient. Here is the list of automotive stereo wiring diagrams that we provides here. It turned out there was a problem in the factory speaker wiring harness. Car audio alarm remote start wiring schematic colors diagrams.

Every car stereo wiring diagram contains information from other people who own the same car as you. Orange car radio accessory switched 12v+ wire: If you are the latter, you may need to consider an aftermarket stereo that unplug the factory wiring harness from the back of the stereo. It explains how to find specific automobile wiring diagrams, but more importantly tips on using them to fix complex problems. Why do i need an aftermarket.

Diagram Toyota Car Stereo Wiring Diagram 95 4runner Full Version Hd Quality 95 4runner Sacwiring Touchofclass It
Diagram Toyota Car Stereo Wiring Diagram 95 4runner Full Version Hd Quality 95 4runner Sacwiring Touchofclass It from www.yotatech.com
Identifying car stereo wires might seem intimidating, but in truth, figuring out the purpose of each wire in a factory car stereo wiring harness is actually pretty easy. I need a color coated wiring diagram for my truck listed above it is a 2500. Enjoy seamless music from stereo car radio wiring diagram at alibaba.com. Why do i need an aftermarket. What's a good place to buy both dashboard harness and rear speaker harness? Car wiring diagram software provide the whole view of the wiring diagram in a car,component location diagram and maintenance method. Also includes, wiring color codes for adding Car stereo wire diagram and wiring harness identification charts.

Light brown car stereo antenna trigger wire:

Vehicle wiring diagrams includes wiring diagrams for cars and wiring diagrams for trucks. If you find that one of your power wires or ground wires are not correct, check your vehicle wire diagram and make sure you have the correct corresponding power and ground wires. Light brown car stereo antenna trigger wire: Checkout our list of common car stereo problems and possible solutions here. Also includes, wiring color codes for adding Note that this 20 pin harness was attached to the indicated receptacle of the original car stereo. 1993 lincoln town car wiper/washer diagram. What's a good place to buy both dashboard harness and rear speaker harness? What you do is to enter the chassis number, and then you will get. Car wiring diagram software provide the whole view of the wiring diagram in a car,component location diagram and maintenance method. Our automotive wiring diagrams permit you to relish your new mobile electronics as opposed to spend countless hours attempting to work out which wires goes to which nissan part or component. I would like not to cut any wires so that factory radio and speakers can be put back in one day. You can either track down a wiring diagram for that specific make, model, and year, or you can grab an inexpensive multimeter.

Why do i need an aftermarket. You can either track down a wiring diagram for that specific make, model, and year, or you can grab an inexpensive multimeter. I found a partial description in another thread but, there are three colored wires that aren't described. Aftermarket car stereo wiring color codes. Vehicle wiring diagrams includes wiring diagrams for cars and wiring diagrams for trucks.

Factory Car Stereo Wiring Diagrams Car Stereo Car Stereo Speakers Diagram
Factory Car Stereo Wiring Diagrams Car Stereo Car Stereo Speakers Diagram from i.pinimg.com
Why do i need an aftermarket. Car audio alarm remote start wiring schematic colors diagrams. Make your car radio install easy with a car radio wiring diagram or car stereo wiring diagram. I'm thinking one may be for the steering wheel control, another may be a switched. Windshield wiper and washer wiring diagram.(wiperwasher.pdf). Free wiring diagrams for your car or truck. Welcome to stereowiringdiagram.info, one of the leading websites for car stereo color coded diagrams. Black @ radio harness car radio ignition switched wire:

Power window wire diagram mechanics use car wiring diagrams, sometimes referred to as schematics, to show them how automotive manufacturers construct.

Also not this wiring diagram is for the base factory system with and without the touch screen and not for the bose but it should still show the mic wires the base touch screen stereo cannot do av in or your own camera. Car wiring diagram software provide the whole view of the wiring diagram in a car,component location diagram and maintenance method. It has fourteen wires and i can'=not seem to find one can anyone help me. Car stereo wiring diagrams for, factory stereos, aftermarket stereos, security systems, factory car audio amplifiers, and more! Car radio battery constant 12v+ wire: Light brown car stereo antenna trigger wire: Car radio stereo audio wiring diagram autoradio connector wire installation schematic schema esquema de conexiones stecker konektor connecteur cable shema. Here is the list of automotive stereo wiring diagrams that we provides here. Once you get your free wiring diagrams, then what do you do with it. Some european wiring diagrams are available also. Generally, when installing a new car stereo into your vehicle you'll need an aftermarket wiring harness that clips onto the factory harness you pulled off keeping your wiring neat can help to kill the chance of wires shorting out. Aftermarket car stereo wiring color codes. Gray car stereo dimmer wire:

Our automotive wiring diagrams permit you to relish your new mobile electronics as opposed to spend countless hours attempting to work out which wires goes to which nissan part or component. It has fourteen wires and i can'=not seem to find one can anyone help me. Factory car stereo repair, inc. You still need to fix the problem that led you here in the first. For others, only the best will suffice.

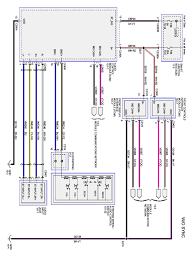
2001 Ford F 150 Radio Wiring Diagram Wiring Diagram End Cloud A End Cloud A Ristruttura4 0 It
2001 Ford F 150 Radio Wiring Diagram Wiring Diagram End Cloud A End Cloud A Ristruttura4 0 It from i.pinimg.com
Almost all car stereos follow the same wiring diagram. 1993 lincoln town car wiper/washer diagram. Wire harness diagram links are posted at left. It has fourteen wires and i can'=not seem to find one can anyone help me. Shop the top 25 most popular 1 at the best prices! I found a partial description in another thread but, there are three colored wires that aren't described. Identifying car stereo wires might seem intimidating, but in truth, figuring out the purpose of each wire in a factory car stereo wiring harness is actually pretty easy. Some factory radios require special tools for removal.

Your car needs to have smarts in it to do the backup camera so that it switches to it.

2020 popular 1 trends in automobiles & motorcycles, consumer electronics, jewelry & accessories, home improvement with factory car stereo and 1. Free wiring diagrams for your car or truck. If you want to install a new car stereo, you'll love our car radio wire guides. Vehicle wiring diagrams includes wiring diagrams for cars and wiring diagrams for trucks. Car audio alarm remote start wiring schematic colors diagrams. Light green/orange @ radio harness car stereo ground wire: Factory car stereo repair, inc. Welcome to stereowiringdiagram.info, one of the leading websites for car stereo color coded diagrams. Black car radio illumination wire: Shop the top 25 most popular 1 at the best prices! Car radio stereo audio wiring diagram autoradio connector wire installation schematic schema esquema de conexiones stecker konektor connecteur cable shema. Power window wire diagram mechanics use car wiring diagrams, sometimes referred to as schematics, to show them how automotive manufacturers construct. What you do is to enter the chassis number, and then you will get.

By