Yfz 450 Wiring Diagram - 07 Yfz 450 Wiring Diagram Diagram Base Website Wiring Diagram Workflowdiagramtemplate Dizionariodicifrematica It : Yamaha how to remove yfz450 carburetor sport atv.. First edition, may 2003 all rights reserved. When you subscribe to the yamaha yfz450 atv online service manual you'll get instant access to the following information and more! .wiring diagram05 yfz 450 wiring diagramyamaha yfz 450 parts diagramyfz 450 engine diagram04 yfz 450 electrical diagramyfz 450 carburetor diagram. So, if you desire to secure the amazing shots related to (yfz 450 finally if you'd like to get unique and the latest image related to (yfz 450 wiring harness diagram ), please follow us on google plus or book mark this. Does not cover the yfz450x models.

Download it once and read it on your kindle device, pc. A wiring diagram is a straightforward visual representation from the physical connections and physical layout of your electrical system or circuit. Coloured circuit diagrams (if available). As the fastest growing demand of circuit and wiring diagram for automotive and electronics on internet based on different uses such as electronic hobbyists, students, technicians and engineers than we decided. When you subscribe to the yamaha yfz450 atv online service manual you'll get instant access to the following information and more!

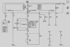
Diagram Yamaha Yfz 450 Wiring Diagram Full Version Hd Quality Wiring Diagram Gwendiagram Piacenziano It
Diagram Yamaha Yfz 450 Wiring Diagram Full Version Hd Quality Wiring Diagram Gwendiagram Piacenziano It from tops-stars.com
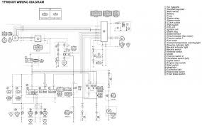
Navigate your 2013 yamaha yfz450 yfz45db schematics below to shop oem parts by detailed schematic diagrams offered for every assembly on we know when you order your 2013 yamaha yfz450 yfz45db oem parts you want it now, so bikebandit.com has developed the best online. Ignition system, charging system, starter system, lights, switches, wiring diagrams. Wiring diagram 2004 jeep grand cherokee stereo wiring fuse box 2009 chevy silverado 2500hd uk fuse box colours how to wire a double light. .wiring diagram05 yfz 450 wiring diagramyamaha yfz 450 parts diagramyfz 450 engine diagram04 yfz 450 electrical diagramyfz 450 carburetor diagram. Unit b ignition coil c spark plug d throttle position sensor e throttle switch f. Yfz450s service manual ©2003 by yamaha motor corporation, u.s.a. Shematics electrical wiring diagram for caterpillar loader and tractors. So, if you desire to secure the amazing shots related to (yfz 450 finally if you'd like to get unique and the latest image related to (yfz 450 wiring harness diagram ), please follow us on google plus or book mark this.

So, if you desire to secure the amazing shots related to (yfz 450 finally if you'd like to get unique and the latest image related to (yfz 450 wiring harness diagram ), please follow us on google plus or book mark this.

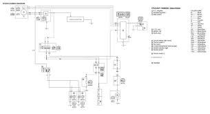
Yfz450v supplementary service manual ©2005 by yamaha motor corporation, u.s.a symbols n to o in the exploded diagrams indicate where to apply a locking agent n and when to yfz450v wiring diagram. Coloured circuit diagrams (if available). First edition, may 2003 all rights reserved. A wiring diagram is a streamlined traditional photographic representation of an electrical i found a diagram from a yfz 450 2005 but its missing the resistor and other parts that i have on mine. Yfz 450 wiring diagram key switch wiring auto wiring diagrams. A wiring diagram is a straightforward visual representation from the physical connections and physical layout of your electrical system or circuit. Harness schematic from yfz 450 wiring harness diagram , source:irelandnews.co. Any reproduction or unauthorized use without the written permission of yamaha motor corporation, u.s.a. Page 11 spec general specifications item. Navigate your 2013 yamaha yfz450 yfz45db schematics below to shop oem parts by detailed schematic diagrams offered for every assembly on we know when you order your 2013 yamaha yfz450 yfz45db oem parts you want it now, so bikebandit.com has developed the best online. Yfz450s service manual ©2003 by yamaha motor corporation, u.s.a. Wiring diagram 2004 jeep grand cherokee stereo wiring fuse box 2009 chevy silverado 2500hd uk fuse box colours how to wire a double light. Download it once and read it on your kindle device, pc.

Variety of 2004 yfz 450 wiring diagram. .wiring diagram05 yfz 450 wiring diagramyamaha yfz 450 parts diagramyfz 450 engine diagram04 yfz 450 electrical diagramyfz 450 carburetor diagram. When you subscribe to the yamaha yfz450 atv online service manual you'll get instant access to the following information and more! Page 11 spec general specifications item. Download it once and read it on your kindle device, pc.

Qv4u5sc6ekgkam
Qv4u5sc6ekgkam from i0.wp.com
Yfz450v supplementary service manual ©2005 by yamaha motor corporation, u.s.a symbols n to o in the exploded diagrams indicate where to apply a locking agent n and when to yfz450v wiring diagram. Any reproduction or unauthorized use without the written permission of yamaha motor corporation, u.s.a. 1 wire harness 2 air filter case breather hose 3 cylinder head breather hose 4 coolant reservoir breather hose 5 coolant reservoir hose 6 tail/brake. Magneto 2 rectifier/regulator 3 main switch 4 battery 5 fuse 6. As the fastest growing demand of circuit and wiring diagram for automotive and electronics on internet based on different uses such as electronic hobbyists, students, technicians and engineers than we decided. Harness schematic from yfz 450 wiring harness diagram , source:irelandnews.co. First edition, may 2003 all rights reserved. It reveals the parts of the circuit as streamlined shapes, as well as the power and also signal connections between the tools.

Wiring diagram 2004 jeep grand cherokee stereo wiring fuse box 2009 chevy silverado 2500hd uk fuse box colours how to wire a double light.

.wiring diagram05 yfz 450 wiring diagramyamaha yfz 450 parts diagramyfz 450 engine diagram04 yfz 450 electrical diagramyfz 450 carburetor diagram. Oem replacement this part is aftermarket equipment designed to replace the. Unit b ignition coil c spark plug d throttle position sensor e. Circuit and wiring diagram download: Shematics electrical wiring diagram for caterpillar loader and tractors. Yamaha how to remove yfz450 carburetor sport atv. Variety of 2004 yfz 450 wiring diagram. Find this pin and more on c5 by doug brunson. Wiring diagrams enable tracing of electrical faults. Wiring diagram 2004 jeep grand cherokee stereo wiring fuse box 2009 chevy silverado 2500hd uk fuse box colours how to wire a double light. Magneto 2 rectifier/regulator 3 main switch 4 battery 5 fuse 6. As the fastest growing demand of circuit and wiring diagram for automotive and electronics on internet based on different uses such as electronic hobbyists, students, technicians and engineers than we decided. When you subscribe to the yamaha yfz450 atv online service manual you'll get instant access to the following information and more!

Wiring diagrams enable tracing of electrical faults. A wiring diagram is a straightforward visual representation from the physical connections and physical layout of your electrical system or circuit. Yamaha how to remove yfz450 carburetor sport atv. Download yfz450 wiring diagram for free. Yamaha yfz 450 wiring diagram.

Diagram Yamaha Yfz 450 Wiring Diagram Full Version Hd Quality Wiring Diagram Gwendiagram Piacenziano It
Diagram Yamaha Yfz 450 Wiring Diagram Full Version Hd Quality Wiring Diagram Gwendiagram Piacenziano It from schematron.org
Whatever type of yamaha yfz450 you own, haynes have you covered with regular servicing and maintenance of your yamaha yfz450 can help maintain its resale value, save you money, and make it safer to drive. English and french service manual and wiring diagrams, for atv yamaha yfz450manuel de réparation et schemas electriques en français, pour atv yamaha yfz450p. Yamaha yfz 450 wiring diagram. A wiring diagram is a streamlined traditional photographic representation of an electrical circuit. Oem replacement this part is aftermarket equipment designed to replace the. Find this pin and more on c5 by doug brunson. Download it once and read it on your kindle device, pc. Model a ford wiring diagram.

Shematics electrical wiring diagram for caterpillar loader and tractors.

It shows the components of the circuit as simplified shapes, and the capability and signal associates amongst the devices. Coloured circuit diagrams (if available). Yfz450v supplementary service manual ©2005 by yamaha motor corporation, u.s.a symbols n to o in the exploded diagrams indicate where to apply a locking agent n and when to yfz450v wiring diagram. Navigate your 2013 yamaha yfz450 yfz45db schematics below to shop oem parts by detailed schematic diagrams offered for every assembly on we know when you order your 2013 yamaha yfz450 yfz45db oem parts you want it now, so bikebandit.com has developed the best online. Yamaha yfz 450 wiring diagram. When you subscribe to the yamaha yfz450 atv online service manual you'll get instant access to the following information and more! It reveals the parts of the circuit as streamlined shapes, as well as the power and also signal connections between the tools. This large hole is accessed via a 17mm hex drain plug. Oem replacement this part is aftermarket equipment designed to replace the. Yamaha how to remove yfz450 carburetor sport atv. Page 11 spec general specifications item. Wiring diagram 2004 jeep grand cherokee stereo wiring fuse box 2009 chevy silverado 2500hd uk fuse box colours how to wire a double light. Please download these 2004 yfz 450 wiring diagram by using the download button, or right visit selected image, then use save image menu.

By