1991 Nissan Pickup Wiring Diagram - Nissan 1400 Diff Diagram 8 Nissan Diagram Car Mechanic / Don't forget to subscribe and hit the notification bell :)would you like to support the channel?. The 2002 nissan pulsar factory stereo wiring diagram can be found in the maintenance manual. Мануал на nissan versa (torrent) мануал на nissan x trail t 30 (torrent). Charging system & wiring diagram. I need a transmission wiring diagram for a 1991 nissan hard body pick up. Nissan truck service manuals, fault codes and wiring diagrams.

Wiring diagram resources dc0 1993 truck c2e6e engine 85 radio stereo for a. What should i change for complete tune up on my 91 nissan pickup truck. Don't forget to subscribe and hit the notification bell :)would you like to support the channel? Srs wiring harnesses can be identified by yellow and/or orange harnesses or harness connectors. 1990 pickup engine www imoc co uk view topic st205 for chargecooler.

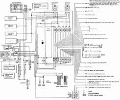
91 Nissan Pickup Wiring Diagram Wiring Diagram Wave Data A Wave Data A Disnar It
91 Nissan Pickup Wiring Diagram Wiring Diagram Wave Data A Wave Data A Disnar It from 1.bp.blogspot.com
Portable network image format 29.2 kb. Every nissan stereo wiring diagram contains information from other nissan owners. Nissan 37oz coupe 2013 owner's manual.pdf. Never repair, splice or modify the srs wir. Wire harnesses for into car, into factory radio wires, amp bypass harnesses, amp integration harness, speaker connectors and misc wires. What should i change for complete tune up on my 91 nissan pickup truck. Hi, i need a wiring diagram and color codes for wires for a 1993 nissan se pickup. 1991 toyota mr2 engine diagram wiring diagram.

91 nissan v6 pickup firing order electrical.

Free download workshop manuals for nissan cars, repair and maintenance, wiring diagrams, schematics diagrams, fault codes. I do not know what the wires from the 97 nissan pickup do, however, i do know what the wires on the stereo that is to be installed are (i.e. Wiring information 1991 nissan pickup wire wire color wire location 12v constant wire white/black ignition harness starter wire black/yellow ignition harness second starter wire. Eventually, the company turned into a major manufacturer of pickup trucks and small delivery cars, giving care for the creation of the remaining trucks to its nissan diesel unit. Wiring diagram resources dc0 1993 truck c2e6e engine 85 radio stereo for a. Мануал на nissan versa (torrent) мануал на nissan x trail t 30 (torrent). Don't forget to subscribe and hit the notification bell :)would you like to support the channel? Make your car stereo look like factory installed with a dash kit. This was the first time a nissan pickup truck received an actual name and the name was very fitting, as the market for small trucks was changing. Обзор автомобиля nissan almera classic/ ниссан алмера классик. 1991 nissan hardbody pickup radio mounting kits and phone mounts. How to download a nissan pickup repair manual (for any year). 1991 nissan pick up wiring, cables & connectors at carid carid offers a variety of replacement wiring harness resulting in excellent performance for your 1991 nissan pick up.

Don't forget to subscribe and hit the notification bell :)would you like to support the channel? Eventually, the company turned into a major manufacturer of pickup trucks and small delivery cars, giving care for the creation of the remaining trucks to its nissan diesel unit. The 2002 nissan pulsar factory stereo wiring diagram can be found in the maintenance manual. Nissan almera, altima, juke, maxima, tiida wiring diagrams. Wiring diagram resources dc0 1993 truck c2e6e engine 85 radio stereo for a.

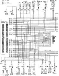
91 Nissan Pickup Wiring Diagram Wiring Diagram Wave Data A Wave Data A Disnar It
91 Nissan Pickup Wiring Diagram Wiring Diagram Wave Data A Wave Data A Disnar It from 1.bp.blogspot.com
Wiring information 1991 nissan pickup wire wire color wire location 12v constant wire white/black ignition harness starter wire black/yellow ignition harness second starter wire. These pickup manuals have been provided by our users, so we can't guarantee completeness. Wiring diagram resources dc0 1993 truck c2e6e engine 85 radio stereo for a. Question about 1991 nissan pickup. Yeah joe,nissan's are well known for head gaskets to blow.here's a link to replace head gasket. Wiring diagrams on the new autodata. 1991 nissan hardbody pickup stereo system. How to download a nissan pickup repair manual (for any year).

Carbureted pcm wiring diagram.gif nissan.

These pickup manuals have been provided by our users, so we can't guarantee completeness. Srs wiring harnesses can be identified by yellow and/or orange harnesses or harness connectors. Wiring diagrams on the new autodata. 300zx nissan 350z nissan altima nissan armada nissan cube nissan frontier nissan maxima nissan murano nissan pathfinder nissan pickup nissan quest nissan rogue nissan sentra nissan titan nissan versa nissan xterra. Wiring diagram resources dc0 1993 truck c2e6e engine 85 radio stereo for a. 1990 pickup engine www imoc co uk view topic st205 for chargecooler. 1991 toyota mr2 engine diagram wiring diagram. 91 nissan v6 pickup firing order electrical. Charging system & wiring diagram. Here's a simplified ignition system wiring diagram for the 1990, 1991, 1992, 1993, and 1994 2.4l nissan d21 pickup. The 2002 nissan pulsar factory stereo wiring diagram can be found in the maintenance manual. Gradually, trucks became secondary products. Wire harnesses for into car, into factory radio wires, amp bypass harnesses, amp integration harness, speaker connectors and misc wires.

How to download a nissan pickup repair manual (for any year). 1991 nissan pickup 2 dr v6 standard cab lb. Every nissan stereo wiring diagram contains information from other nissan owners. Hi, i need a wiring diagram and color codes for wires for a 1993 nissan se pickup. Мануал на nissan versa (torrent) мануал на nissan x trail t 30 (torrent).

1994 Nissan Pickup Wiring Diagram 2002 Windstar Fuse Box Fusebox Ab14 Jeanjaures37 Fr
1994 Nissan Pickup Wiring Diagram 2002 Windstar Fuse Box Fusebox Ab14 Jeanjaures37 Fr from farm4.staticflickr.com
1991 nissan hardbody pickup stereo system. Patreon subscribers get to see the premium content first. 1994 nissan pickup system wiring diagram ~ free pdf manual. Nicoclub.com purchases, downloads, and maintains a comprehensive directory of nissan factory service manuals for use by our registered members. The models exported to the united states, began in 1200 sedans with an engine 48 hp and a compact pickup truck with 37 hp, which later became the sales leader for 50 years. Wiring diagram resources dc0 1993 truck c2e6e engine 85 radio stereo for a. Gradually, trucks became secondary products. Here's a simplified ignition system wiring diagram for the 1990, 1991, 1992, 1993, and 1994 2.4l nissan d21 pickup.

Nicoclub.com purchases, downloads, and maintains a comprehensive directory of nissan factory service manuals for use by our registered members.

Yeah joe,nissan's are well known for head gaskets to blow.here's a link to replace head gasket. What should i change for complete tune up on my 91 nissan pickup truck. Gradually, trucks became secondary products. Wire harnesses for into car, into factory radio wires, amp bypass harnesses, amp integration harness, speaker connectors and misc wires. Nissan almera, altima, juke, maxima, tiida wiring diagrams. 1991 nissan pick up wiring, cables & connectors at carid carid offers a variety of replacement wiring harness resulting in excellent performance for your 1991 nissan pick up. 1991 toyota mr2 engine diagram wiring diagram. Wiring diagram resources dc0 1993 truck c2e6e engine 85 radio stereo for a. The 2002 nissan pulsar factory stereo wiring diagram can be found in the maintenance manual. This is pretty cut and dry, remove neg battery terminal, raise vehicle if needed, remove the wiring from the back of starter, then remove the two starter. Patreon subscribers get to see the premium content first. 1991 nissan hardbody pickup radio mounting kits and phone mounts. 91 nissan v6 pickup firing order electrical.

By